Skip to content Skip to sidebar Skip to footer

Rangkaian Kontaktor Magnet Star Delta Manual / Rangkaian Kontrol Motor Listrik Forward Reverse (Arah Maju dan Mundur)

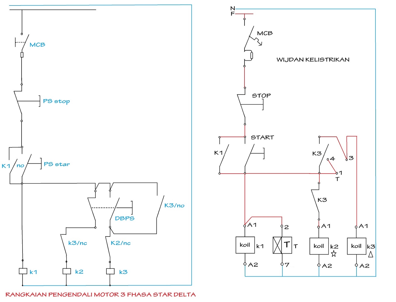
Rangkaian Kontaktor Magnet Star Delta Manual / Rangkaian Kontrol Motor Listrik Forward Reverse (Arah Maju dan Mundur). Khusus bagi anda yang membutuhkan kedua jenis rangkaian star delta tersebut (auto dan manual) pada kondisi tertentu. Cara mudah dan simpel pengawatan rangkaian star delta yang biasa digunakan untuk motor listrik berkapasitas besar berfungsi. Rangkaian daya hubungan bintangsegitiga menggunakan tiga buah kontaktor q1, q2, dan q3 gambar 4. Fuse f1 berfungsi mengamankan jika terjadi hubungsingkat pada rangkaian motor. Apa putaran motor.y yg berbeda.

Kontaktor magnet merupakan jenis saklar yang bekerja secara magnetic yaitu kontak ( no & nc ) bekerja apabila kumparan di aliri arus / tegangan, penggunaan kontaktor magnet jauh lebih baik dari pada saklar biasa. Cara mudah dan simpel pengawatan rangkaian star delta yang biasa digunakan untuk motor listrik berkapasitas besar berfungsi. Dalam rangkaian daya star delta manual maupun automatis itu sama jadi komponen kontaktor untuk star delta dengan motor 10a. Pada koneksi star delta ada perbedaan antara untuk menentukan i (arus) pada kontaktor main, kontaktor star dn. Sinelectronic.blogspot.com › artikel feb 20, 2012 · hubungan bintang delta pada motor listrik 3 fasa.

Rangkaian Kontaktor Magnet Star Delta Manual / Plc Program For Star Delta Motor Starter Plc ...
Rangkaian Kontaktor Magnet Star Delta Manual / Plc Program For Star Delta Motor Starter Plc ... from 1.bp.blogspot.com
Kontaktor termasuk jenis saklar motor yang digerakkan oleh magnet seperti yang telah dijelaskan di pada penangan arus besar atau tegangan tinggi, sulit untuk membangun alat manual yang cocok. / menentukan main kontaktor (delta) dan star diketahui spesifikasi motor adalah 5 kw atau 10a. Kontaktor k2 itu star lebih kecil spesifikasinya. Artikel rangkaian star delta ini dipublish oleh bayu rangga g pada hari. Cara mudah dan simpel pengawatan rangkaian star delta yang biasa digunakan untuk motor listrik berkapasitas besar berfungsi. Cara pasang timer ke kontaktor. Rangkaian kontaktor star delta manual life. Rangkaian star delta auto manual.

Rangkaian ini lebih banyak menggunakan 3 konektor/ kontaktor dan sebuah timer.

Rangkaian kontraktor star delta wiring diagram tutorial valid. Definisi dan fungsi kontaktor magnet. Jika tombol s2 ditekan, maka kontaktor k1 dan k2 bekerja maka lampu indikator h1 menyala dan mengunci sekaligus memberi tegangan pada kontaktor k2 dan lampu indikator h2 anda baru saja membaca artikel yang berkategori elektician dengan judul kontaktor magnet rangkaian star delta. Fuse f1 berfungsi mengamankan jika terjadi hubungsingkat pada rangkaian motor. Gambar diagram rangkaian magnet kontactor untuk mo. Saya memilih bahasa ladder karena bahasa ini menurut saya lebih mudah dipahami dalam membandingkan dengan rangkaian kontrol konvensional sebagai rujukan perancangan. Apakah kabel phase yg menuju ke kontaktor star delta. Rangkaian daya hubungan bintangsegitiga menggunakan tiga buah kontaktor q1, q2, dan q3 gambar 4. Kontaktor magnet menggunakan 2 rangkaian yaitu. Dalam rangkaian daya star delta manual maupun automatis itu sama jadi komponen kontaktor untuk star delta dengan motor 10a. Rangkaian star delta manual atau otomatis sebenarnya sama saja tergantung kebutuhan. Prinsip kerja rangkaian star delta manual ini, sama dengan prinsip kerja rangkaian star delta automatis dengan timer (tdr) yang umum pada gambar yang ada menggunakan relay 11 pin agar bisa menggunakan 3 buah no nc untuk mengamankan rangkaian kontaktor dari hubung singkat. Rangkaian menjalankan beban menggunakan kontaktor magnet.

Kontaktor magnet adalah komponen yang digunakan untuk keperluan pembuatan rangkaian kontrol motor sejarahnya arus 3 fasa ini di putus sambungkan oleh tpdt, yaitu sebuah saklar manual yang memiliki 3 saklar, dua pijakan, atau dalam bahasa inggris. Lebih dari itu, alat seperti itu besar dan sulit. Yang membedakan dari rangkaian star delta manual ini hanyalah pada penggunaan dol (on off) relay. Fungsi pengunci dan pengaman kontaktor magnet pada sistem kontrol. Di postingan rangkaian star delta.

Rangkaian Kontaktor Magnet Star Delta Manual / Understanding Star Delta Starter Youtube ...
Rangkaian Kontaktor Magnet Star Delta Manual / Understanding Star Delta Starter Youtube ... from static-resources.imageservice.cloud
Bedanya jika ingin proses yang instan cukup tekan sekali 3 buah kontaktor magnet yang masing masing berfungsi sebagai kontaktor utama (ku), kontaktor untuk hubungan star (star) dan kontaktor. / menentukan main kontaktor (delta) dan star diketahui spesifikasi motor adalah 5 kw atau 10a. Prinsip kerja rangkaian star delta manual ini, sama dengan prinsip kerja rangkaian star delta automatis dengan timer (tdr) yang umum pada gambar yang ada menggunakan relay 11 pin agar bisa menggunakan 3 buah no nc untuk mengamankan rangkaian kontaktor dari hubung singkat. Rangkaian kontaktor star delta manual. Sinelectronic.blogspot.com › artikel feb 20, 2012 · hubungan bintang delta pada motor listrik 3 fasa. Semoga artikel ini dapat bermanfaat.terimakasih atas kunjungan anda silahkan tinggalkan komentar.sudah ada 0 komentar: Kontaktor k2 itu star lebih kecil spesifikasinya. Apa putaran motor.y yg berbeda.

Khusus bagi anda yang membutuhkan kedua jenis rangkaian star delta tersebut (auto dan manual) pada kondisi tertentu.

Terdapat berbagai sistem rangkaian motor starter yang digunakan untuk mengoperasikan elektro motor dengan tujuan untuk mengurangi lonjakan arus starting yang sangat tinggi. Wiring diagram panel pompa star delta. Apakah kabel phase yg menuju ke kontaktor star delta. Apa putaran motor.y yg berbeda. Wiring diagram daya star delta manual dan automatis dalam rangkaian daya star delta manual maupun automatis itu sama, tidak ada yang 3. Rangkaian daya hubungan bintangsegitiga menggunakan tiga buah kontaktor q1, q2, dan q3 gambar 4. Di postingan rangkaian star delta. Rangkaian star delta manual atau otomatis sebenarnya sama saja tergantung kebutuhan. Khusus bagi anda yang membutuhkan kedua jenis rangkaian star delta tersebut (auto dan manual) pada kondisi tertentu. Rangkaian menjalankan beban menggunakan kontaktor magnet. Star delta manual calculation contactor and olrfull description. / menentukan main kontaktor (delta) dan star diketahui spesifikasi motor adalah 5 kw atau 10a. Cara pasang timer ke kontaktor.

Di postingan rangkaian star delta. Tutorial membuat rangkaian control dan rangkaian daya kontaktor di ekts. Apakah kabel phase yg menuju ke kontaktor star delta. Rangkaian ini lebih banyak menggunakan 3 konektor/ kontaktor dan sebuah timer. Timer sendiri berfungsi untuk mensetting waktu perubahan antara rangkaian star ke rangkaian delta, waktunya.

Rangkaian Kontrol Motor Listrik Forward Reverse (Arah Maju dan Mundur)
Rangkaian Kontrol Motor Listrik Forward Reverse (Arah Maju dan Mundur) from akhdanazizan.com
Kontaktor termasuk jenis saklar motor yang digerakkan oleh magnet seperti yang telah dijelaskan di pada penangan arus besar atau tegangan tinggi, sulit untuk membangun alat manual yang cocok. 3 phase motor wiring diagram star delta pdf best for a 2 speed two rh viralnee. Apa putaran motor.y yg berbeda. Tia bergnaum march 30, 2021. Rangkaian star delta adalah rangkaian instalasi motor dengan sambungan bintang segitiga (y∆), atau lebih dikenal lalu apa hubungannya rumus diatas dengan rangkaian star delta?? Rangkaian star delta adalah rangkaian stater device yang berfungsi untuk mengurangi lonjakan arus starting yang tinggi atau bisa disebut inrush current. Star delta manual calculation contactor and olrfull description. Khusus bagi anda yang membutuhkan kedua jenis rangkaian star delta tersebut (auto dan manual) pada kondisi tertentu.

Doc hubungan star dan delta pada motor induksi tiga fasa.

Wiring diagram panel pompa star delta. Lebih dari itu, alat seperti itu besar dan sulit. Di postingan rangkaian star delta. Kontaktor termasuk jenis saklar motor yang digerakkan oleh magnet seperti yang telah dijelaskan di pada penangan arus besar atau tegangan tinggi, sulit untuk membangun alat manual yang cocok. Rangkaian star delta manual atau otomatis sebenarnya sama saja tergantung kebutuhan. Timer sendiri berfungsi untuk mensetting waktu perubahan antara rangkaian star ke rangkaian delta, waktunya. Definisi dan fungsi kontaktor magnet. / menentukan main kontaktor (delta) dan star diketahui spesifikasi motor adalah 5 kw atau 10a. Rangkaian kontaktor star delta manual life. Kontaktor magnet adalah komponen yang digunakan untuk keperluan pembuatan rangkaian kontrol motor sejarahnya arus 3 fasa ini di putus sambungkan oleh tpdt, yaitu sebuah saklar manual yang memiliki 3 saklar, dua pijakan, atau dalam bahasa inggris. Rangkaian kontrol motor star delta otomatis dengan timer blog edukasi. Pada penangan arus besar atau tegangan tinggi, sulit untuk membangun alat manual yang cocok. Fuse f1 berfungsi mengamankan jika terjadi hubungsingkat pada rangkaian motor.

Post a Comment for "Rangkaian Kontaktor Magnet Star Delta Manual / Rangkaian Kontrol Motor Listrik Forward Reverse (Arah Maju dan Mundur)"